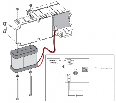
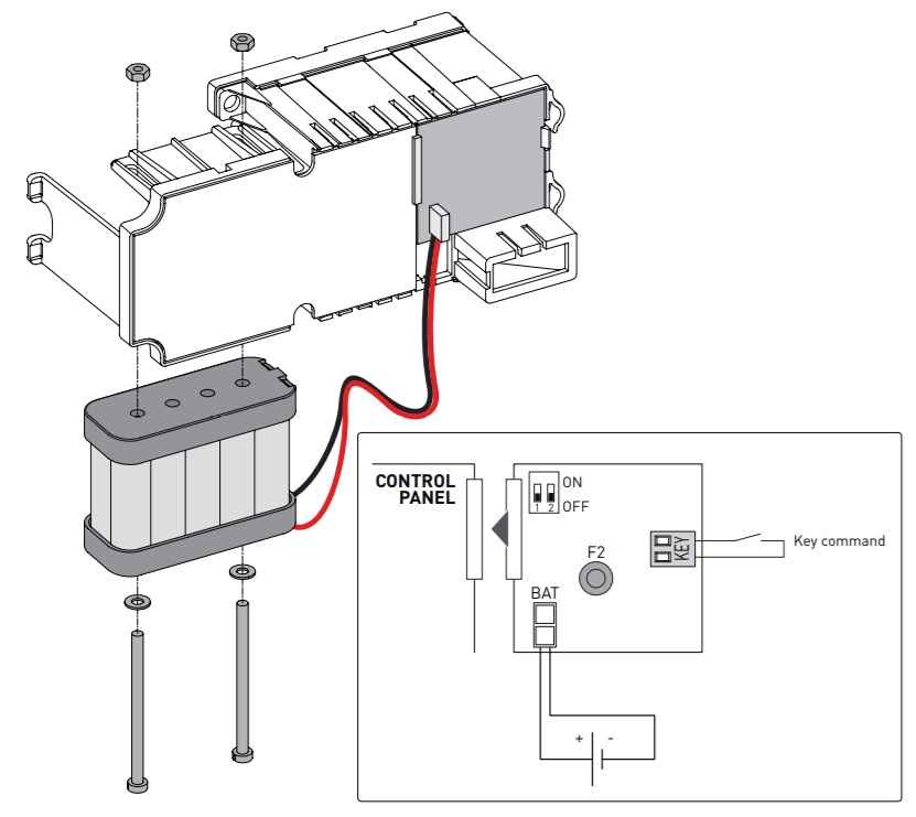
Аккумуляторная батарея SPRINTBAT для Ditec Sprint
Описание
Аккумуляторная батарея для автоматики DITEC DIRECT SPINT
Характеристики
Страна производитель
Швеция
Задать вопрос
Задать вопрос
3D модель двери


